Схема 31б. Схема включения указателей поворота и аварийной сигнализации (продолжение) в автомобиле Ford Focus 2
[[ article.getBookmarkIcon() ]]
Без инструментов
Схема 31в. Схема включения указателей поворота и аварийной сигнализации (окончание) в автомобиле Ford Focus 2
[[ article.getBookmarkIcon() ]]
Без инструментов
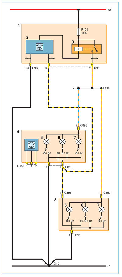
Схема 32. Схема включения плафона освещения салона в автомобиле Ford Focus 2
[[ article.getBookmarkIcon() ]]
Без инструментов
Схема 33. Схема включения противотуманного света в автомобиле Ford Focus 2
[[ article.getBookmarkIcon() ]]
Без инструментов
Схема 34. Схема включения ламп света заднего хода в автомобиле Ford Focus 2
[[ article.getBookmarkIcon() ]]
Без инструментов
Схема 35а. Схема включения переднего и заднего плафонов освещения салона в автомобиле Ford Focus 2
[[ article.getBookmarkIcon() ]]
Без инструментов
Схема 35б. Схема включения плафонов освещения вещевого ящика и зоны ног водителя и переднего пассажира в автомобиле Ford Focus 2
[[ article.getBookmarkIcon() ]]
Без инструментов
Схема 35в. Схема включения плафона освещения багажника в автомобиле Ford Focus 2
[[ article.getBookmarkIcon() ]]
Без инструментов
Схема 36. Схема включения звуковых сигналов в автомобиле Ford Focus 2
[[ article.getBookmarkIcon() ]]
Без инструментов
Схема 37а. Схема соединений центрального замка в автомобиле Ford Focus 2
[[ article.getBookmarkIcon() ]]
Без инструментов
Схема 37б. Схема соединений центрального замка с функцией управления стеклоподъемниками в автомобиле Ford Focus 2
[[ article.getBookmarkIcon() ]]
Без инструментов
Схема 37в. Схема соединений центрального замка с двойной блокировкой в автомобиле Ford Focus 2
[[ article.getBookmarkIcon() ]]
Без инструментов
Схема 37г.Схема соединений центрального замка с функцией управления стеклоподъемниками и двойной блокировкой в автомобиле Ford Focus 2
[[ article.getBookmarkIcon() ]]
Без инструментов
Схема 38. Схема включения очистителя ветрового стекла в автомобиле Ford Focus 2
[[ article.getBookmarkIcon() ]]
Без инструментов
Схема 39. Схема включения очистителя и омывателя стекла двери багажного отделения в автомобиле Ford Focus 2
[[ article.getBookmarkIcon() ]]
Без инструментов
Схема 40. Схема включения стеклоподъемников с электроприводом в автомобиле Ford Focus 2
[[ article.getBookmarkIcon() ]]
Без инструментов
Схема 41. Схема включения стеклоподъемников с электроприводом только передних дверей в автомобиле Ford Focus 2
[[ article.getBookmarkIcon() ]]
Без инструментов
Схема 42. Схема включения омывателя фар в автомобиле Ford Focus 2
[[ article.getBookmarkIcon() ]]
Без инструментов
Схема 43. Схема включения обогрева ветрового и заднего стекол в автомобиле Ford Focus 2
[[ article.getBookmarkIcon() ]]
Без инструментов
Схема 44. Схема соединений наружных зеркал заднего вида в автомобиле Ford Focus 2
[[ article.getBookmarkIcon() ]]
Без инструментов
Фильтр по категориям
-
Техническое обслуживание
-
Ходовая часть
-
Трансмиссия
-
Рулевое управление
-
Тормозная система
-
Двигатель
-
Электрооборудование